电脑2
组10
装饰
装饰
装饰
微信搜索-老妖精消防
老妖精消防-公众号
图片包含 游戏机, 画

描述已自动生成
自喷图集串讲
讲解老师:莫慧
天津市建筑设计院
20191208
图层1
目录
目录
CONTENTS
CONTENTS
2
组91
老妖精官方网址:www.lyj.top
老妖精官方热线:400-0034-056
晓筑老妖精
7
2
Laoyaojingxiaofang
微信符号
2020
图片包含 钟表, 物体, 黑色, 安装

描述已自动生成
案例分析
卡通人物

描述已自动生成
疑难问题
卡通人物

描述已自动生成
卡通人物

描述已自动生成
概念解析
图层1
目录
目录
CONTENTS
CONTENTS
3
组91
老妖精官方网址:www.lyj.top
老妖精官方热线:400-0034-056
晓筑老妖精
7
2
Laoyaojingxiaofang
微信符号
2020
图片包含 钟表, 物体, 黑色, 安装

描述已自动生成
案例分析
卡通人物

描述已自动生成
水印2222
晓筑老妖精,让学习更简单
4
老妖精官方网址:www.lyj.top
老妖精官方热线:400-0034-056
晓筑老妖精
7
2
Laoyaojingxiaofang
微信符号
2020
图片包含 钟表, 物体, 黑色, 安装

描述已自动生成
相关规范及公式
“喷规”9.1.5 最不利点处作用面积内任意4只喷头围合范
围内的平均喷水强度,轻危险、中危险级不应低于本规范表
5.0.1规定值的85%;严重危险级和仓库危险级不应低于本
规范表5.0.1和表5.0.4-1~表5.0.4-5的规定值。
“喷规”9.1.1
“喷规”5.0.1 系统最不利点的工作压力不应低于0.05MPa
 
手机屏幕截图  描述已自动生成
手机屏幕截图  描述已自动生成
计算步骤
根据危险等级,确定喷水强度 STR  & 修正系数 η
根据平面布置,确定最不利点喷头的保护面积A喷头
带入公式1,求得最不利点喷头流量 q初算
将最不利点喷头流量 q初算带入公式2 ,求得最不利点喷头
初算压力 P初算
P初算 ≤ 0.05MPa,则最不利点喷头工作压力 P=0.05MPa
P初算 0.05MPa,则最不利点喷头工作压力 P= P初算
手机屏幕截图  描述已自动生成
图片包含 游戏机  描述已自动生成
手机屏幕截图  描述已自动生成
最不利点压力计算&确定(民用建筑与厂房为例)
公式1
公式2
轻危险级(湿式系统)
水印2222
晓筑老妖精,让学习更简单
5
老妖精官方网址:www.lyj.top
老妖精官方热线:400-0034-056
晓筑老妖精
7
2
Laoyaojingxiaofang
微信符号
2020
图片包含 钟表, 物体, 黑色, 安装

描述已自动生成
中危险级 (湿式系统)
中危险级 (湿式系统)
严重危险级 (湿式系统)
严重危险级 (湿式系统)
最不利点压力计算&确定(民用建筑与厂房为例)
水印2222
晓筑老妖精,让学习更简单
6
老妖精官方网址:www.lyj.top
老妖精官方热线:400-0034-056
晓筑老妖精
7
2
Laoyaojingxiaofang
微信符号
2020
图片包含 钟表, 物体, 黑色, 安装

描述已自动生成
案例一:
       某中危险级 II 级 建筑,地下一层,地上九层。计算系统流量和压力,
以及减压孔板的计算。
案例一
作用面积S
9
计算系统流量和压力
1、选取最不利区域
2、计算最不利点喷头压力PO
3、作用面积S,自喷管道水力计算,确定
 管道09水头损失P09
      注:水头损失为(沿程+局部)
 9节点流量Q9
0
水印2222
晓筑老妖精,让学习更简单
7
老妖精官方网址:www.lyj.top
老妖精官方热线:400-0034-056
晓筑老妖精
7
2
Laoyaojingxiaofang
微信符号
2020
图片包含 钟表, 物体, 黑色, 安装

描述已自动生成
图片包含 游戏机  描述已自动生成
案例一
0
9
E
计算系统流量和压力
1、选取最不利区域
2、计算最不利点喷头压力P0
3、作用面积S,自喷管道水力计算
 管道09水头损失P09
      注:水头损失为(沿程+局部)
 9节点流量Q9
4、计算管道9E水头损失P9E
6、计算系统累计水头损失P0E
    P0E P09 P9E
7计算系统供水压力H
    = (1.2~1.4) P0E + P0  Z
8、系统流量Q=Q9
水印2222
晓筑老妖精,让学习更简单
8
老妖精官方网址:www.lyj.top
老妖精官方热线:400-0034-056
晓筑老妖精
7
2
Laoyaojingxiaofang
微信符号
2020
图片包含 钟表, 物体, 黑色, 安装

描述已自动生成
案例一
计算减压孔板方法一
19节点的压力H9=(1.2~1.4) P0E  + P0
28节点的压力H8= H9 + (1.2~1.4) P98  Z98
37节点的压力H7= H8 + (1.2~1.4) P87  Z87
4、以此类推,可得到H6~H01
5、比较各节点压力,当Hn>0.4MPa时,其差值 hn 即为需要通过
     设置减压孔板减去的压力。
6、计算减压孔板口径。当孔口尺寸不满足9.3.1规定时,应设置个串联
     的孔板
图片包含 游戏机  描述已自动生成
9
8
1
01
0
E
水印2222
晓筑老妖精,让学习更简单
9
老妖精官方网址:www.lyj.top
老妖精官方热线:400-0034-056
晓筑老妖精
7
2
Laoyaojingxiaofang
微信符号
2020
图片包含 钟表, 物体, 黑色, 安装

描述已自动生成
图片包含 游戏机  描述已自动生成
案例一
9
计算减压孔板方法二
19节点的压力H9=(1.2~1.4) P0E + P0
28节点的压力H8= H9 + (1.2~1.4) P98  Z98
3、如使减压孔板后的压力H8’= H9 ;则,减压孔板需要减去的压力
      h8 =  (1.2~1.4) P98  Z98
4、以此类推,可得到h7~h01
5、计算减压孔板口径。当孔口尺寸不满足9.3.1规定时,应设置多个串联
     的孔板
8
1
01
0
E
水印2222
晓筑老妖精,让学习更简单
10
老妖精官方网址:www.lyj.top
老妖精官方热线:400-0034-056
晓筑老妖精
7
2
Laoyaojingxiaofang
微信符号
2020
图片包含 钟表, 物体, 黑色, 安装

描述已自动生成
案例二:
       案例一,如顶层部分区域采用通透率70%
的格栅吊顶,(满足规范吊顶内不设置自喷系统的条件)
其余采用普通大板吊顶,计算系统流量和压力。
案例二
计算步骤

1、普通吊顶区域及通透性吊顶区域
分别选取作用面积𝑺/𝑺′ 
分别计算 𝑷 𝟎 / 𝑷 𝟎 ′  。

2、依照案例一方法,对应𝑺/𝑺′进行水力
     计算,求得9节点的水头损失及流量
管道09水头损失和流量   𝑷 𝟎𝟗 / 𝑸 𝟗  
管道0’9水头损失和流量  𝑷 𝟎𝟗 ′ / 𝑸 𝟗 ′ 

3、分别计算9节点所需压力
  𝑯 𝟗 =(𝟏.𝟐~𝟏.𝟒)𝑷 𝟎𝟗 + 𝑷 𝟎 
 𝑯 𝟗 ′ = 𝟏.𝟐~𝟏.𝟒  𝑷 𝟎𝟗 ′ + 𝑷 𝟎 ′ 

3、确定最不利区域:比较  𝑯 𝟗 / 𝑯 𝟗 ′ ,
     压力P 较大所对应的区域,为最不利
     区域。即:
  𝑯 𝟗 > 𝑯 𝟗 ′  ,9节点参数选择  𝑷 𝟗 / 𝑸 𝟗  
  𝑯 𝟗 < 𝑯 𝟗 ′  ,9节点参数选择 𝑷 𝟗 ′ / 𝑸 𝟗 ′ 

4、其余按案例一步骤继续计算
通透性吊顶区域
作用面积S’
作用面积S
              5.0.13  装饰网格、栅板类通透性吊
顶的场所,系统的喷水强度应按本规范表5.0.1
5.0.4-1~5.0.1-5规定值的1.3倍确定,且
喷头布置应符合本规范7.1.13条的规定条件。
手机屏幕截图  描述已自动生成
手机屏幕截图  描述已自动生成
1
.
3
0
0
9
水印2222
晓筑老妖精,让学习更简单
11
老妖精官方网址:www.lyj.top
老妖精官方热线:400-0034-056
晓筑老妖精
7
2
Laoyaojingxiaofang
微信符号
2020
图片包含 钟表, 物体, 黑色, 安装

描述已自动生成
图片包含 游戏机  描述已自动生成
案例四
中庭作用面积S
计算步骤

1、普通区域及中庭区域
分别选取作用面积𝑺平/𝑺中
计算 𝑷 𝟎 平/ 𝑷 𝟎 中。

提示
1)计算  𝑃 0 中 时,注意中庭喷头K≥115
2)1.8m≤中庭喷头间距≤3.0m
2
作用面积S

2、依照案例一方法,对应 𝑺平/𝑺中进行水力
     计算,分别求2节点
平层管道的水头损失和流量 𝑷𝟎平2/ 𝑸 2 平
中庭管道的水头损失和流量 𝑷𝟎中2/ 𝑸 2 中

3、分别计算2节点所需压力
 𝑯 2 平= 𝟏.𝟐~𝟏.𝟒 𝑷𝟎平2+ 𝑷 𝟎 平
 𝑯 2 中= 𝟏.𝟐~𝟏.𝟒 𝑷𝟎中2+ 𝑷 𝟎 中
0
0
案例三
       某中危险级 II 级 建筑,共二层。该工程有一个连通首二层的中庭,中庭吊顶距中
庭地面9m,中庭周围设置无机复合卷帘(满足耐火极限要求,无需设置防护冷却系统)
计算系统流量和压力。
水印2222
晓筑老妖精,让学习更简单
12
老妖精官方网址:www.lyj.top
老妖精官方热线:400-0034-056
晓筑老妖精
7
2
Laoyaojingxiaofang
微信符号
2020
图片包含 钟表, 物体, 黑色, 安装

描述已自动生成
案例三
4、确定2节点参数
5、其余按案例一步骤继续计算
案例三
       某中危险级 II 级 建筑,共二层。该工程有一个连通首二层的中庭,中庭吊顶距中
庭地面9m,中庭周围设置无机复合卷帘(满足耐火极限要求,无需设置防护冷却系统)
计算系统流量和压力。
图片包含 游戏机  描述已自动生成
中庭作用面积S
2
作用面积S
0
0
水印2222
晓筑老妖精,让学习更简单
13
老妖精官方网址:www.lyj.top
老妖精官方热线:400-0034-056
晓筑老妖精
7
2
Laoyaojingxiaofang
微信符号
2020
图片包含 钟表, 物体, 黑色, 安装

描述已自动生成
案例四
       某常温高架库,仓库危险级 II 级,最大储物高度为10.5m;最大净空高度为12.2m
摆放方式为双排货架。货架共7层,每层货架高度均为1.5m
       采用顶板下设置标准覆盖型喷头+货架内置喷头形式,计算系统流量和压力。
案例四
图片包含 游戏机, 文字  描述已自动生成
顶板下喷头管道
提示:
1、水流指示器 喷规》6.3 “设置货架内置喷头
的仓库,顶板下喷头与货架内置喷头分别设置水流指
示器“。
2、系统流量 设置货架内置喷头的仓库,其系统流
量为作用面积内顶板下喷头流量+开放货架内置喷头
流量之和
3、顶板下喷头选型 喷规》7.1.2 “仓库危险级场
所宜采用流量系数大于80的洒水喷头。
(本案例顶板下喷头选取K=115)
4、顶板下喷头间距 :喷规》7.1.2表 “仓库危险级
正方形布置边长3.0m;矩形或平行四边形布置的场
边边长3.6m
5、喷水强度&作用面积 :喷规5.0.4-2 “货架
储存高度大于7.5m时。应设置货架内置洒水喷头。
顶板下喷头的喷水强度不应低于20L/(min.),作
用面积不应小于200,持续喷水时间不应小于
2h 。
货架内置喷头配水立管
货架内置喷头立管
货架内置喷头配水立管
货架内置喷头配水干管
顶板下喷头配水干管
水印2222
晓筑老妖精,让学习更简单
14
老妖精官方网址:www.lyj.top
老妖精官方热线:400-0034-056
晓筑老妖精
7
2
Laoyaojingxiaofang
微信符号
2020
图片包含 钟表, 物体, 黑色, 安装

描述已自动生成
图片包含 钟表, 挂, 大, 白色  描述已自动生成
案例四
顶板下喷头配水干管
货架内置喷头配水立管
货架内置喷头配水干管
货架内置喷头配水支管
顶板下喷头配水支管
手机屏幕截图  描述已自动生成
手机屏幕截图  描述已自动生成
手机屏幕截图  描述已自动生成
案例四
       某常温高架库,仓库危险级 II 级,最大储物高度为10.5m;最大净空高度为12.2m
摆放方式为双排货架。货架共7层,每层货架高度均为1.5m
       采用顶板下设置标准覆盖型喷头+货架内置喷头形式,计算系统流量和压力。
水印2222
晓筑老妖精,让学习更简单
15
老妖精官方网址:www.lyj.top
老妖精官方热线:400-0034-056
晓筑老妖精
7
2
Laoyaojingxiaofang
微信符号
2020
图片包含 钟表, 物体, 黑色, 安装

描述已自动生成
图片包含 游戏机  描述已自动生成
案例四
顶板下喷头系统计算:

1、计算顶板下最不利喷头压力𝑷𝟎顶
     𝒒=𝜼∙ 𝑺 𝑻𝑹 ∙𝑨喷头=1×20× 3×3 
          =180 L/min
     𝒒=𝑲  𝟏𝟎 𝑷 𝟎 顶 ⟹
     𝑷 𝟎 顶=(𝒒/𝑲) 𝟐 /10 =(𝟏𝟖𝟎/𝟏𝟏𝟓) 𝟐 /10
         =0.245MPa

2、对顶板下进行水利计算,求得
顶板下管道水头损失𝑷𝟎顶𝐌
顶板下管道流量 𝑸 𝐌 顶

3、计算顶板下管道在M节点所须压力
      𝑯顶𝐌=(1.2~1.4)𝑷𝟎顶𝐌 + 𝑷𝟎顶
顶板下喷头管道
0
M
水印2222
晓筑老妖精,让学习更简单
16
老妖精官方网址:www.lyj.top
老妖精官方热线:400-0034-056
晓筑老妖精
7
2
Laoyaojingxiaofang
微信符号
2020
图片包含 钟表, 物体, 黑色, 安装

描述已自动生成
图片包含 游戏机  描述已自动生成
案例四
货架内置喷头系统计算:

1、确定货架内置喷头最不利喷头压力𝑷𝟎内
𝐊=𝟖𝟎时, 𝑷 𝟎 内=0.2MPa
𝐊=𝟏𝟏𝟓时, 𝑷 𝟎 内=0.𝟏MPa
  (重点:经计算可以发现,不管选哪种形式,喷头
的出流量相近。考虑到造价,选用K80比较经济)

2、对最上层货架内管道进行水利计算,求得
最上层货架内管道水头损失𝑷𝟎内1 
最上层货架内管道流量 𝑸内1

3、在2节点设置减压孔板,令减压后压力与
     1节点相同,则
顶层第二层货架内管道流量亦为𝑸内1
货架内管道流量 𝑸 𝑴 内=2𝑸内1  

4、计算流量 𝑸 𝑴 内时,管线1M的水头损失𝑷1𝐌

5、计算货架内管道在M节点所须压力
 𝑯内𝐌=(1.2~1.4)(𝑷𝟎内1+𝑷1𝐌)+𝑷𝟎内)+𝒁内
M
货架内置喷头管道
2
1
0
水印2222
晓筑老妖精,让学习更简单
17
老妖精官方网址:www.lyj.top
老妖精官方热线:400-0034-056
晓筑老妖精
7
2
Laoyaojingxiaofang
微信符号
2020
图片包含 钟表, 物体, 黑色, 安装

描述已自动生成
图片包含 游戏机  描述已自动生成
案例四
M节点参数确定:

1、 M节点压力𝑯𝐌 
𝑯顶𝐌  > 𝑯内𝐌 ,𝑯𝐌=𝑯顶𝐌 ,
    货架内管道水流指示器后设置减压孔板,孔板所减压力为𝑯顶𝐌 −𝑯内𝐌 

𝑯顶𝐌  < 𝑯内𝐌 ,𝑯𝐌=𝑯内𝐌 ,
    顶板下管道水流指示器后设置减压孔板,孔板所减压力为𝑯内𝐌 −𝑯顶𝐌 

2、 M节点汇流后流量 𝑸 𝐌 
         𝑸 𝐌 = 𝑸 𝐌 顶+  𝑸 𝐌 内

系统入口,即E节点参数确定:
1、计算流量为 𝑸 𝐌 时,管道ME水头损失𝑷𝐌𝐄
2、计算系统入口所须要求𝑯
        𝑯=(1.2~1.4)𝑷𝐌𝐄+𝑯𝐌+ 𝒁𝐌𝐄
M
货架内置喷头管道
2
1
0
顶板下喷头管道
0
E
水印2222
晓筑老妖精,让学习更简单
18
老妖精官方网址:www.lyj.top
老妖精官方热线:400-0034-056
晓筑老妖精
7
2
Laoyaojingxiaofang
微信符号
2020
图片包含 钟表, 物体, 黑色, 安装

描述已自动生成
地图的截图  描述已自动生成
案例五
       如下图,某南方地下复式车库,计算系统流量和压力
案例五
作用面积
开放的侧碰喷头
开放的侧碰喷头
如图所以,
确定作用面积
确定车架下层开放的侧喷
喷头数量及位置
(参考喷规》5.0.8,仓库危险
级 级,货架内置喷头开放数量)
水印2222
晓筑老妖精,让学习更简单
19
老妖精官方网址:www.lyj.top
老妖精官方热线:400-0034-056
晓筑老妖精
7
2
Laoyaojingxiaofang
微信符号
2020
图片包含 钟表, 物体, 黑色, 安装

描述已自动生成
Pa
Pb
Pc
Pd
图片包含 游戏机, 文字  描述已自动生成
底层托盘
上层托盘
案例五
1.8m
1.7m
1.55m
2.9m
最不利处侧喷喷头压力 𝑷 𝑺 确定
底部车架内净高1.8m
额定停放车辆限高1.55m
喷头距底层托盘净高1.7m
根据喷头曲线,可知 Pa、Pb 压力下曲线可以满足覆盖车顶,选择压力较小的 Pb 作为侧碰喷头的工作压力。
即, 𝑷 𝑺  = Pb

最不利处侧喷喷头流量 𝒒 𝒔 确定
       𝒒 𝒔 =𝑲  𝟏𝟎 𝑷 𝑺       (只要曲线满足要求,可以选择K80)
最不利处短立管水头损失  𝒉 𝒔 计算

计算O节点压力
 𝑷 o =  𝑷 𝑺  +  𝒉 𝒔  +  𝒁 𝒔 

式中:  𝒒 𝒔  —— 最不利喷头的出流量(L/min)
           𝑷 𝑺  —— 最不利喷头的工作压力(MPa)
               𝒉 𝒔  —— 喷头短立管的水头损失(MPa)
               𝒁 𝒔  —— 喷头短立管与配水支管的高差(MPa)
                        喷头在支管上方为正;反之为负
S
O
水印2222
晓筑老妖精,让学习更简单
20
老妖精官方网址:www.lyj.top
老妖精官方热线:400-0034-056
晓筑老妖精
7
2
Laoyaojingxiaofang
微信符号
2020
图片包含 钟表, 物体, 黑色, 安装

描述已自动生成
案例五

侧喷喷头折算流量系数
 𝒌 𝟎 =  𝒒 𝒔    𝟏𝟎×  𝑷 𝑺 + 𝒉 𝒔 + 𝒁 𝒔    

     式中:  𝒌 𝟎  —— 喷头折算流量系数

以使用天正软件为例,通过修改喷头对话框,修改侧喷喷头下列参数:
特性系数K值修改为 𝑘 0 
接管长度修改为0

进行水力计算,求得系统参数
图片包含 游戏机  描述已自动生成
图片包含 游戏机  描述已自动生成
O
自喷管道轴测图
自喷管道水利计算轴测图
水印2222
晓筑老妖精,让学习更简单
21
老妖精官方网址:www.lyj.top
老妖精官方热线:400-0034-056
晓筑老妖精
7
2
Laoyaojingxiaofang
微信符号
2020
图片包含 钟表, 物体, 黑色, 安装

描述已自动生成
喷规沿程阻力损失公式改为海澄-
威廉公式对自喷系统流量和压力有什么影
响?
喷规采用海澄-威廉公式,计算所
得系统流量和压力均比喷规计算所
得要
                              某中危险级II级工程
                       采用新旧规范公式公式
                       分别计算。
案例分析
图片包含 游戏机

描述已自动生成
水印2222
晓筑老妖精,让学习更简单
22
老妖精官方网址:www.lyj.top
老妖精官方热线:400-0034-056
晓筑老妖精
7
2
Laoyaojingxiaofang
微信符号
2020
图片包含 钟表, 物体, 黑色, 安装

描述已自动生成
案例分析
手机屏幕截图

描述已自动生成
手机屏幕截图

描述已自动生成
手机屏幕截图

描述已自动生成
手机屏幕截图

描述已自动生成
图层1
目录
目录
CONTENTS
CONTENTS
23
组91
老妖精官方网址:www.lyj.top
老妖精官方热线:400-0034-056
晓筑老妖精
7
2
Laoyaojingxiaofang
微信符号
2020
图片包含 钟表, 物体, 黑色, 安装

描述已自动生成
概念解析
卡通人物

描述已自动生成
水印2222
晓筑老妖精,让学习更简单
24
老妖精官方网址:www.lyj.top
老妖精官方热线:400-0034-056
晓筑老妖精
7
2
Laoyaojingxiaofang
微信符号
2020
图片包含 钟表, 物体, 黑色, 安装

描述已自动生成
疑难问题
手机屏幕截图

描述已自动生成
高位水箱有效容积
图集P54
水印2222
晓筑老妖精,让学习更简单
25
老妖精官方网址:www.lyj.top
老妖精官方热线:400-0034-056
晓筑老妖精
7
2
Laoyaojingxiaofang
微信符号
2020
图片包含 钟表, 物体, 黑色, 安装

描述已自动生成
地图上有字  描述已自动生成
疑难问题

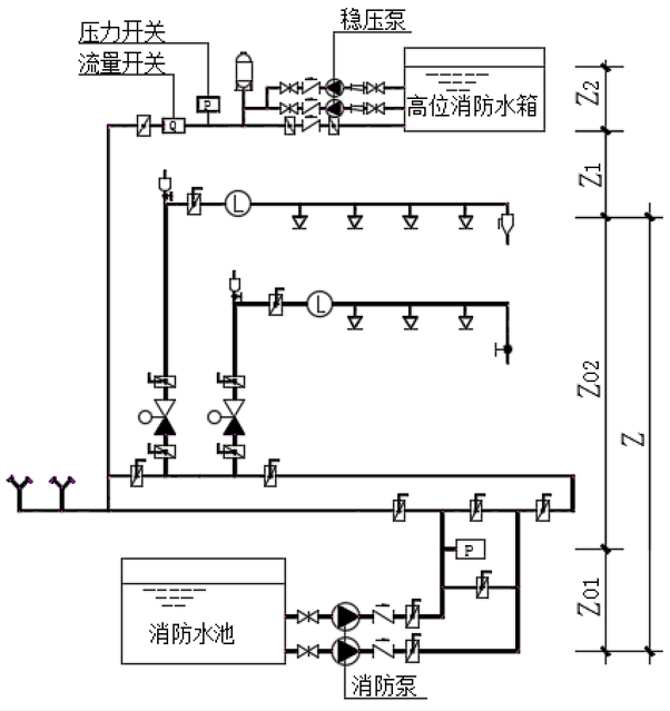
各种压力公式 (压力单位均为MPa)

设计工作压力𝑯                𝑯=(𝟏.𝟐~𝟏.𝟒)    𝑷 𝑷   + 𝑷 𝟎 +𝒁
零流量压力 𝑯 𝟎              𝟏.𝟐𝑯≤ 𝑯 𝟎 ≤ 𝟏.𝟒𝑯
稳压泵启泵压力 𝑷 𝑺𝟏       𝑷 𝑺𝟏 >𝟎.𝟏𝟓− 𝒁 𝟏  且 > 𝒁 2 +𝟎.𝟎𝟕
稳压泵停泵压力 𝑷 𝑺2       𝑷 𝑺2 =  𝑷 𝑺𝟏 +𝟎.𝟏 ∕𝟎.𝟖−𝟎.𝟏
消防泵启泵压力𝑷        𝑷= 𝑷 𝑺𝟏 + 𝒁 𝟏 + 𝒁 𝟎𝟐 − 𝟎.𝟎𝟕~𝟎.𝟏 
系统工作压力 𝑯 ′             𝑯 ′ =𝐦𝐚𝐱  𝑯 𝟎   ,  𝑷 𝑺𝟐   
试验压力 𝑯 𝑺
水印2222
晓筑老妖精,让学习更简单
26
老妖精官方网址:www.lyj.top
老妖精官方热线:400-0034-056
晓筑老妖精
7
2
Laoyaojingxiaofang
微信符号
2020
图片包含 钟表, 物体, 黑色, 安装

描述已自动生成
图片包含 游戏机

描述已自动生成
疑难问题
图片包含 游戏机

描述已自动生成
流量开关设定值
稳压设施合用,消防水泵不合用
自喷系统流量开关设定值 ≥ 1个喷头流量+自喷系统泄漏量
                                    且 ≤ 2个喷头流量+自喷系统泄漏量
消火栓系统流量开关设定值 ≥ 1个栓口流量+消火栓系统泄漏量
                                       且 ≤ 2个栓口流量+自喷系统泄漏量
稳压设施合用,消防水泵合用
自喷系统流量开关设定值 ≥ 1个喷头流量+自喷系统泄漏量
   且 ≤ 1个喷头流量1个栓口流量+消火栓系统泄漏量
水印2222
晓筑老妖精,让学习更简单
27
老妖精官方网址:www.lyj.top
老妖精官方热线:400-0034-056
晓筑老妖精
7
2
Laoyaojingxiaofang
微信符号
2020
图片包含 钟表, 物体, 黑色, 安装

描述已自动生成
地图上有字

描述已自动生成
地图上有字

描述已自动生成
疑难问题
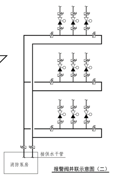
报警阀并联示意图
用于自喷系统为多单
体建筑服务或同单体建
筑面积较大,有多个竖
井的情况。
用单体高层建筑,为减
少立管数量,同时降低报
警阀承压
水印2222
晓筑老妖精,让学习更简单
28
老妖精官方网址:www.lyj.top
老妖精官方热线:400-0034-056
晓筑老妖精
7
2
Laoyaojingxiaofang
微信符号
2020
图片包含 钟表, 物体, 黑色, 安装

描述已自动生成
疑难问题
报警阀串联示意图
喷规》6.2.2 串联介入湿式系统配水干管
的其他自动喷水灭火系统,应分别设置独立
的报警阀组,其控制的洒水喷头数计入湿式
报警阀组控制的洒水喷头总数。
n2n1 , n2+n1 ≤800
地图上有字

描述已自动生成
水印2222
晓筑老妖精,让学习更简单
29
老妖精官方网址:www.lyj.top
老妖精官方热线:400-0034-056
晓筑老妖精
7
2
Laoyaojingxiaofang
微信符号
2020
图片包含 钟表, 物体, 黑色, 安装

描述已自动生成
疑难问题
地图上有字

描述已自动生成
      喷规》6.3.1 除报警阀组控制的洒水喷头值保护不超过防火分区面积同层场所外,每个防火
分区、每个楼层均应设水流指示器。
水流指示器设置
水印2222
晓筑老妖精,让学习更简单
30
老妖精官方网址:www.lyj.top
老妖精官方热线:400-0034-056
晓筑老妖精
7
2
Laoyaojingxiaofang
微信符号
2020
图片包含 钟表, 物体, 黑色, 安装

描述已自动生成
疑难问题
水流指示器设置
喷规》6.3.2 仓库内顶板下洒水喷头
与货架内置洒水喷头应分别设置水流
指示器。
水印2222
晓筑老妖精,让学习更简单
31
老妖精官方网址:www.lyj.top
老妖精官方热线:400-0034-056
晓筑老妖精
7
2
Laoyaojingxiaofang
微信符号
2020
图片包含 钟表, 物体, 黑色, 安装

描述已自动生成
疑难问题

直立型、下垂型标准覆盖面积洒水喷头间距
4
.
4
*
4
.
4
/
4
.
5
=
4
.
3

喷头间距
水印2222
晓筑老妖精,让学习更简单
32
老妖精官方网址:www.lyj.top
老妖精官方热线:400-0034-056
晓筑老妖精
7
2
Laoyaojingxiaofang
微信符号
2020
图片包含 钟表, 物体, 黑色, 安装

描述已自动生成
手机屏幕截图

描述已自动生成
疑难问题

直立型、下垂型扩大覆盖面积洒水喷头间距

喷头间距
a
a
S
b
c
     b&c  ≤   a
S
手机屏幕截图

描述已自动生成
水印2222
晓筑老妖精,让学习更简单
33
老妖精官方网址:www.lyj.top
老妖精官方热线:400-0034-056
晓筑老妖精
7
2
Laoyaojingxiaofang
微信符号
2020
图片包含 钟表, 物体, 黑色, 安装

描述已自动生成
充水时间计算
根据喷规》8.0.11 可知
干式系统和充气双连锁预作用系统,
充水时间不宜大于1min.
雨淋系统和不充气单连锁预作用系统,
充水时间不宜大于2min
管道充水时间  =V/60Q
式中:—— 充水时间min
          V—— 报警阀后管道容积L
          Q——充水流量L/s
                    (消防水泵的额定流量)
疑难问题
水印2222
晓筑老妖精,让学习更简单
34
老妖精官方网址:www.lyj.top
老妖精官方热线:400-0034-056
晓筑老妖精
7
2
Laoyaojingxiaofang
微信符号
2020
图片包含 钟表, 物体, 黑色, 安装

描述已自动生成
作用面积
喷规》9.1.2 水力计算选定的最不利点处
作用面积宜为矩形,其长边应平行于配水支
管,其长度不宜小于作用面积平方根的1.2倍。
疑难问题
L

𝐋≥𝟏.𝟐∙  𝑺
水印2222
晓筑老妖精,让学习更简单
35
老妖精官方网址:www.lyj.top
老妖精官方热线:400-0034-056
晓筑老妖精
7
2
Laoyaojingxiaofang
微信符号
2020
图片包含 钟表, 物体, 黑色, 安装

描述已自动生成
防护冷却系统设计流量计算
喷规》9.1.4 保护防火卷帘、防火玻璃墙等
防火分隔设施的防护冷却系统,系统的设计流
量应按计算长度内喷头同时喷水的总流量确定,
计算长度应符合下列要求:
    1  当设置场所设有自动喷水灭火系统时,计算
长度不应小于本规范9.1.2条确定的长边长度。
疑难问题
L
L1
L1 ≥ L
水印2222
晓筑老妖精,让学习更简单
36
老妖精官方网址:www.lyj.top
老妖精官方热线:400-0034-056
晓筑老妖精
7
2
Laoyaojingxiaofang
微信符号
2020
图片包含 钟表, 物体, 黑色, 安装

描述已自动生成
防护冷却系统设计流量计算
    2  当设置场所未设置自动喷水灭火系统时,计算长度不应
小于任意一个防火分区内所有需保护的总长度之和。
疑难问题
L3
L1
图中:1.  L1 ≥ L2≥ L3
          2.  防护冷却系统计算长度   L=L1 + L3
L2
图层1
目录
目录
CONTENTS
CONTENTS
37
组91
老妖精官方网址:www.lyj.top
老妖精官方热线:400-0034-056
晓筑老妖精
7
2
Laoyaojingxiaofang
微信符号
2020
图片包含 钟表, 物体, 黑色, 安装

描述已自动生成
疑难问题
卡通人物

描述已自动生成
水印2222
晓筑老妖精,让学习更简单
38
老妖精官方网址:www.lyj.top
老妖精官方热线:400-0034-056
晓筑老妖精
7
2
Laoyaojingxiaofang
微信符号
2020
图片包含 钟表, 物体, 黑色, 安装

描述已自动生成
建筑设计防火规范简称建规
消防给水及消火栓系统技术规范简称消水规
自动喷水灭火系统设计规范简称喷规
   按建筑物使用功能划分的其他规范,
   如:
综合医院医院建筑设计规范
旅馆建筑设计规范
办公建筑设计规范
宿舍建筑设计规范
   ……
疑难问题
母规范,大原则上,什么地方设置自喷系统
消防给水技术上的详细要求(水泵、水箱等)
解决做什么样的自喷系统,以及怎么做!!
建规没覆盖的一些部位
规范之间
的关系
水印2222
晓筑老妖精,让学习更简单
39
老妖精官方网址:www.lyj.top
老妖精官方热线:400-0034-056
晓筑老妖精
7
2
Laoyaojingxiaofang
微信符号
2020
图片包含 钟表, 物体, 黑色, 安装

描述已自动生成
疑难问题
问题1:医院建筑哪些地方不做喷淋?
答:
    1、“任一层建筑面积不大于1500㎡或总建筑面积不大于3000㎡的医院病房楼、门诊和手术部”,不设置自动
喷水灭火系统。
建规》 8.3.3-1 一类高层公共建筑(除游泳池、溜冰场地外)及其地下、半地下室。
  (表5.1.1 建筑高度超过24米的医疗建筑属于一类高层公共建筑。)
建规》 8.3.4-2 任一层建筑面积大于1500㎡或总建筑面积大于3000㎡的展览、商店、餐饮呵呵旅馆建筑以及
医院中同样建筑规模的病房楼、门诊和手术部。
 
    2、对于整体应设置自喷系统的医院建筑,规范中另有规定和不宜用水保护或灭火的场所,不设置自动喷水灭火
系统。
建规》 8.3.3&8.3.4,除本规范另有规定的场所和不宜用水保护或灭火的场所外,……应设置自动灭火系统
采用自动喷水灭火系统。
水印2222
晓筑老妖精,让学习更简单
40
老妖精官方网址:www.lyj.top
老妖精官方热线:400-0034-056
晓筑老妖精
7
2
Laoyaojingxiaofang
微信符号
2020
图片包含 钟表, 物体, 黑色, 安装

描述已自动生成
疑难问题
问题1:医院建筑哪些地方不做喷淋?
  3高层医院建筑配电室,设置自动灭火系统,宜采用气体灭火系统。        不设自动喷水灭火系统。
建规》 8.3.9 下列场所应设置自动灭火系统,并宜采用气体灭火系统:其他特殊重要设备室。
  4、医院的贵重设备用房,病案室和信息中心(网络)机房,应设置气体灭火装置。        不设自动喷水灭火系统。
综合医院建设设计规范》 6.7.3
  5、血液病房、手术室和有创检查的设备用房,不应设置自动灭火系统。        不设自动喷水灭火系统。
综合医院建设设计规范》 6.7.4
有创检查:各类穿刺冠状动脉造影
PS:这些不设自动灭火设施的房间是不含产房的!
水印2222
晓筑老妖精,让学习更简单
41
老妖精官方网址:www.lyj.top
老妖精官方热线:400-0034-056
晓筑老妖精
7
2
Laoyaojingxiaofang
微信符号
2020
图片包含 钟表, 物体, 黑色, 安装

描述已自动生成
疑难问题
问题2:二类高层的宿舍建筑,喷淋如何设置?
答:
  1、公共活动用房、走道、办公室、可燃物品库房设置喷淋。
建规》 8.3.3-2
宿舍建筑设计规范7.1.7
  2、寝室门(靠近走道的窗)内应设一个喷头。
喷规》 7.1.12,当局部场所设置自动喷水灭火系统时,局
部场所与相邻不设自动喷水灭火系统场所连通的走道和连通
门窗的外侧,应设喷头。
PS:设置在寝室内的喷头,加设防护罩
图集P74
水印2222
晓筑老妖精,让学习更简单
42
老妖精官方网址:www.lyj.top
老妖精官方热线:400-0034-056
晓筑老妖精
7
2
Laoyaojingxiaofang
微信符号
2020
图片包含 钟表, 物体, 黑色, 安装

描述已自动生成
疑难问题
问题3:住宅楼座下的自行车库以及储藏间是否设喷淋?
答:
  1、超高层住宅,需要设喷淋。
建规8.3.3-4
 2、总建筑面积大于500㎡的自行车库需要设喷淋。
建规8.3.2-6,总建筑面积大于500㎡的可燃物品地下仓库
自行车库属于有可燃物的丁、戊类库房。
 3、总建筑面积大于500㎡或防火分区面积大于300㎡储藏间需要设喷淋。
建规8.3.2-6,总建筑面积大于500㎡的可燃物品地下仓库
住宅储藏间属于丙2类库房,建规3.3.2,防火分区面积限值为300㎡。
水印2222
晓筑老妖精,让学习更简单
43
老妖精官方网址:www.lyj.top
老妖精官方热线:400-0034-056
晓筑老妖精
7
2
Laoyaojingxiaofang
微信符号
2020
图片包含 钟表, 物体, 黑色, 安装

描述已自动生成
疑难问题
问题4:老建筑装修,按新规还是老规执行?
答:
  1、首先要确定装修工程属于“改造还是改建”
改造可以延用建筑物原始设计时的规范
改建项目应按现行规范执行
  2、改建主要区别于改造的地方
使用功能、房间分隔等发生改变
功能虽然没有改变,但改变了原有防火分区或疏散
问题5:同时设置喷淋系统和水炮系统的工程,在计
算消防水池容积时是否叠加?
答:不叠加,取其大值
消水规3.6.1【条文说明自动灭火系统包括自动喷
水灭火、水喷雾灭火、自动消防水炮没火等系统,
一个防护对象或防护区的自动灭火系统的用水量按
其中用水量大的一个系统确定。
水印2222
晓筑老妖精,让学习更简单
44
老妖精官方网址:www.lyj.top
老妖精官方热线:400-0034-056
晓筑老妖精
7
2
Laoyaojingxiaofang
微信符号
2020
图片包含 钟表, 物体, 黑色, 安装

描述已自动生成
疑难问题
问题6:对于仓库建筑,选择不同的喷头类型,水量计算差别很大,如何选择?
水印2222
晓筑老妖精,让学习更简单
45
老妖精官方网址:www.lyj.top
老妖精官方热线:400-0034-056
晓筑老妖精
7
2
Laoyaojingxiaofang
微信符号
2020
图片包含 钟表, 物体, 黑色, 安装

描述已自动生成
疑难问题
问题6:对于仓库建筑,选择不同的喷头类型,水量计算差别很大,如何选择?
水印2222
晓筑老妖精,让学习更简单
46
老妖精官方网址:www.lyj.top
老妖精官方热线:400-0034-056
晓筑老妖精
7
2
Laoyaojingxiaofang
微信符号
2020
图片包含 钟表, 物体, 黑色, 安装

描述已自动生成
疑难问题
问题6:对于仓库建筑,选择不同的喷头类型,水量计算差别很大,如何选择?
水印2222
晓筑老妖精,让学习更简单
47
老妖精官方网址:www.lyj.top
老妖精官方热线:400-0034-056
晓筑老妖精
7
2
Laoyaojingxiaofang
微信符号
2020
图片包含 钟表, 物体, 黑色, 安装

描述已自动生成
疑难问题
问题7:预作用单、双连锁的区别是什么,怎么选择?
双 联 锁
单 联 锁
同一区域的两个报警信号
独立2及以上火灾探测器(感烟
1火灾探测器(感烟+ 手动报警按钮
消防控制室()
 (与”逻辑判断成立条件
同一区域的两个报警信号
火灾探测器或手动报警按钮
“与”
预作用装置充气管道压力开关
补气装置
快速排气阀前电动阀
喷头玻璃泡
火灾探测器
管道
是否充水
喷头
工作状态
非正常破裂
未报警
不出水
完整
误报
不出水
喷头
玻璃泡
火灾
探测器
充气管道上
压力开关
管道
是否充水
喷头
工作状态
非正常
破裂
未报警
动作报警
不出水
完整
误报
不报警
不出水
工作场景分析
水印2222
晓筑老妖精,让学习更简单
48
老妖精官方网址:www.lyj.top
老妖精官方热线:400-0034-056
晓筑老妖精
7
2
Laoyaojingxiaofang
微信符号
2020
图片包含 钟表, 物体, 黑色, 安装

描述已自动生成
疑难问题
问题8:预作用系统是否可以一台空压机为多个预作
用装置服务?
答:
  1、为什么预作用系统不叫预作用报警阀,而叫预作
用装置,这是源自国外。而国外之所以这么叫,是应
为他们的预作用装置,包括预作用阀和空压机,本身
就是一一对应的。
  2、如果一台空压机对应多个阀组,那么控制回非常
复杂,而且空压机的参数选择也是问题:
按一个系统补气量选择空压机,当两个系统需要同
时补气时,回气压补足,引起误报;
按两个或多个系统补气量选择空压机,会造成喷头
爆破后,由于补气量过大,充气管上压力开关达不
到设定值,无法开启水泵和预作用阀。
问题9:单独建设的地下建筑,是否可以采用市政水
作稳压?
答:不可以。
       城镇给水排水技术规范》3.6.3【条文说明
“禁止城镇给水管与自备水源供水管直接连接”。
问题10:风管底、梁底加设的喷头是否参与计算水
量?
答:不参与。
       喷规》6.2.3-2“当配水支管同时设置保护吊顶
下方或上方空间的洒水喷头时,应只将数量较多一层
的洒水喷头计入报警阀组的洒水喷头总数。
组3
老妖精消防-公众号
组3拷贝
欢迎大家通过课后评价通道,
将您的想法、意见及建议告知我们
装饰
装饰
图片包含 游戏机, 画

描述已自动生成
老妖精官方网址:www.lyj.top
老妖精官方热线:400-0034-056
晓筑老妖精
7
2
Laoyaojingxiaofang
微信符号
2020
图片包含 钟表, 物体, 黑色, 安装

描述已自动生成